제품설계 공차란? 공차설계 디자인 - Tolerance design

공차설계에 대한 규격 및 설계방법을 이해하려면 먼저 공차 Tolerance의 개념을 이해해야 합니다.
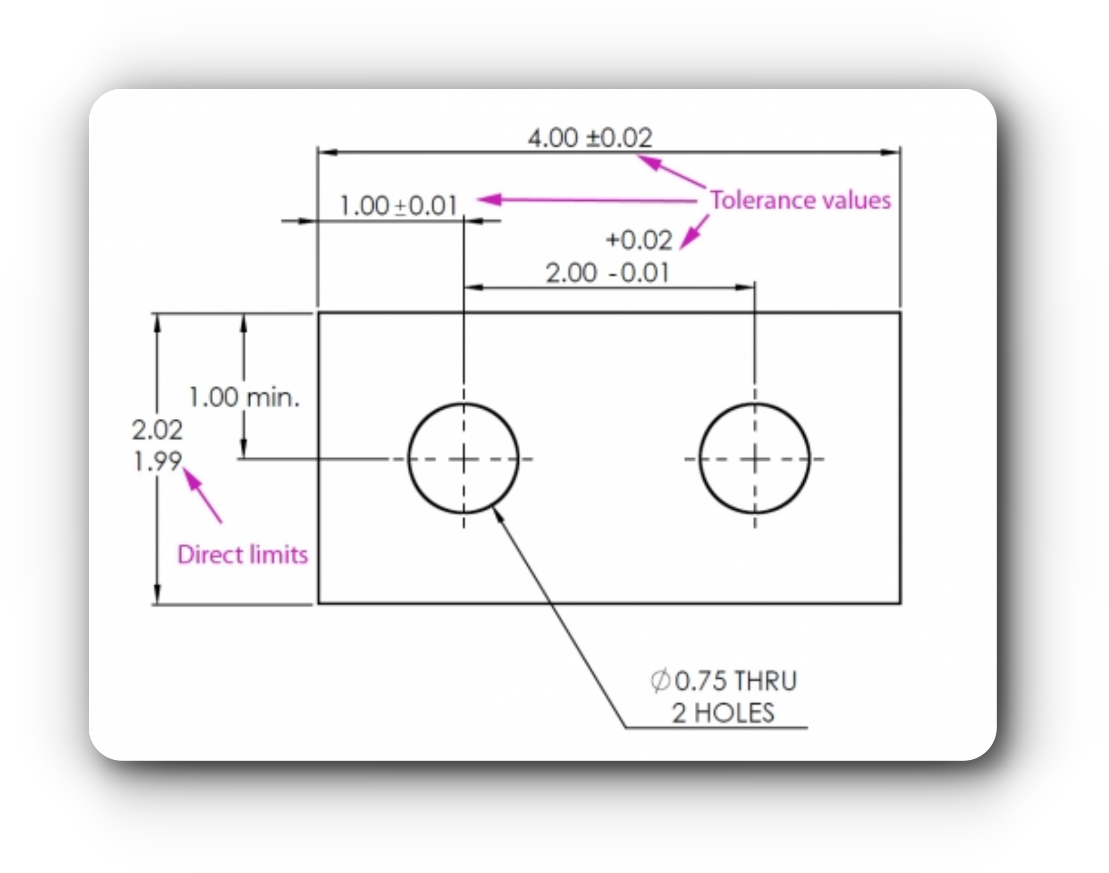
공차란, 어떤 기준값에 대해 규정된 최대값과 최소값의 차이를 의미합니다. 이 값은 제품의 성능과 품질을 결정하는 중요한 요소로, 기계의 성능을 판가름하는 핵심적인 역할을 하게 됩니다.
공차란?
그렇다면, 공차란 무엇일까요? 예를 들어, 길이 100mm의 금속 환봉을 가공한다고 가정해봅시다.

전부 동일하게 가공했다고 생각해도 치수나 형상에는 차이가 있으므로 모든 봉을 100.00mm로 정확하게 마감하기는 어렵습니다. 설계 및 제조 현장에서는 이와 같은 차이를 좁히도록 노력하고 있지만 그래도 그 차이를 완벽히 0으로 만들 수는 없습니다.
이와 같이 치수나 형상의 차이는 기본적으로 목표값 위아래로 발생합니다. 따라서 금속봉의 사용 용도에 따라 목표 치수에 균일하지 않아도 허용되는 상한치와 허용치가 정해지게 되는데, 이 양쪽 값의 차이(허용 한도)를 공차라고 하는 것입니다.
공차설계란? 공차의 필요성

공차설계란, 이러한 공차를 어떻게 설정할 것인지에 대한 고민을 의미합니다.
공차의 값은 제품 비용과 성능, 품질에 크게 영향을 미치므로 공차가 곧 제품 경쟁력 향상으로 이어진다고 봐도 과언이 아닙니다.

제조업에서는 이 차이의 허용범위(=공차)를 제품의 사양과 부품의 비용 등을 종합적으로 고려해서 설계자가 결정해야 합니다. 그 설정한 공차에 따라 최종적인 제품 사양을 만족할 수 있는지, 그리고 실제로 가공 가능한 공차인지를 토대로 판단해야 합니다.
공차설계는 크게 두 가지 흐름을 가지고 있습니다.
하나는 설계자에 의한 설계의 흐름, 또 하나는 제조상의 요구에 따른 흐름입니다.


완성품 사양이 일정한 범위에 들어가려면, 각각의 유닛이 일정한 범위에 들어갈 것이 요구되고, 그곳에서 각 부품의 공차가 할당됩니다.

여기에 설계자의 의도가 반영되어 있습니다.
완성품에서는 소형·슬림형화 등을 위해 최대한 엄격한 공차를 요구하려는 한편, 부품 측에서는 역으로 제작의 용이성(비용 절감)을 위해, 공차를 완화하려는 요청이 들어갑니다. 이것이 제조상의 요구입니다.

부품 개개의 기하공차를 엄격하게(작게) 하면 그만큼 비용이 오르고, 공차를 완화하면(크게 하면) 완성품의 불량이 발생할 위험이 높아져서, 경우에 따라 전체 비용의 증가도 고려될 수 있습니다.
기계도면 작성 시 GD&T 도면 기호 특성 및 기하공차 의미
기계도면 작성 시 GD&T 도면 기호 특성 및 기하공차 의미기하학적 치수 설정 및 공차 기법(GD&T)은 엔지니어링 도면 및 컴퓨터로 생성된 3D 모델에서 사용되는 체계적인 방법으로 흔히 기하공차라
jab-guyver.co.kr
이들 「설계자의 의도」과 「제조상의 요구」를 경제성(비용)이라는 한가지 공통 축에 투영해서 바라보면, 그 균형 잡히는 곳에 공차가 결정됩니다. 이 때, 통계적 고찰도 함께 계산하여 공차를 설정하는 것을 「공차 설계」라고 합니다.
최근에는 제조의 해외 이전 등 다양한 요인으로, 「제조상의 요구」가 설계자에게 쉽게 전해지지 않는 경우가 많기 때문에, 공차 설계에는 설계자의 의도와 제조상의 요구의 캐치 볼이 원만하게 이루어질 수 있는 시스템의 구축이 반드시 필요하다는 것을 알 수 있습니다.
GD&T Geometric Dimensions And Tolerance - Decre Yellow
GD&T "Geometric Dimensions and Tolerance"라고 하는 도면이 있는데 네이버에 검색하면 지드래곤과 탑만 나오는 어이없는 검색결과를 보여주는데 구글에서 검색하면 다양한 지디엔티 자료가 검색됩니다.
decreyellow.co.kr
이러한 공차설계의 중요성을 이해한 뒤에는, 공차설계에 대한 규격 및 설계방법을 적용해야 합니다.
각 부품의 공차를 설정하는 과정에서는 통계적 고찰을 통해 최적의 공차 범위를 설정하고, 이를 통해 제품의 품질과 성능을 최적화할 수 있습니다. 이렇게 캐드설계 시 실제 제품의 공차설계를 통해 제품의 경쟁력을 향상시키는 것은 제조업의 필수적인 과정입니다.
'3D 2D 디자인' 카테고리의 다른 글
| 패션디자인산업기사 자격증 필기 및 실기과목 준비와 취업전망 (0) | 2024.08.21 |
|---|---|
| PLM ERP 시스템이란? 차이점 및 경영관리 및 제품 수명관리 (0) | 2023.12.20 |
| 제품생산 OEM, ODM, JDM 차이점 및 특징 (0) | 2023.12.18 |